ikona telefon01 +48 724 907 256
sklep@techsklep.eu

PRZYJMUJEMY ZAMÓWIENIA RÓWNIEŻ MAILEM, SMS LUB TELEFONICZNIE

Cenimy Twoją prywatność

Tech Sklep przetwarza Twoje dane osobowe zbierane w Internecie, w tym informacje zapisywane za pomocą technologii służących do ich śledzenia i przechowywania, takich jak pliki cookies, sygnalizatory WWW lub innych podobnych technologii umożliwiających świadczenie dopasowanych i bezpiecznych usług, personalizację treści oraz reklamy, udostępnianie funkcji mediów społecznościowych oraz analizowanie ruchu w Internecie.

czujnik-polozenia-tloka-w-silowniku-kt65r-5m-1

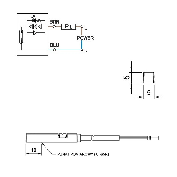
CZUJNIK POŁOŻENIA TŁOKA KONTRAKTRONOWY KT65R-5M

Producenci : PNEUMAT
Cena sprzedaży 115,62 zł
Cena sprzedaży bez VAT 94,00 zł
Podatek 21,62 zł

Opis

CZUJNIK POŁOŻENIA TŁOKA KONTRAKTRONOWY KT65R-5M

5-240V AC/DC 2-przew.,kabel 5m, bez wtyku

 

Typ KT65R-5M
Typ czujnika Kontraktronowy
Stan Normalnie otwarty
Napięcie zasilania 5-240V DC/AC V
Prąd przełączany 100mA max.
Moc maksymalna 10W max.
Spadek napięcia max. 3.0V
Połączenie elektryczne Kabel PUR, 2-przewodowy, dł. 5 m
Częstotliwość pracy 200Hz
Zakres temperatur -10/+70°C °C
Stopień ochrony IEC 60529 IP67
Dioda LED Czerwona